网站首页
|
联系我们
|
加入收藏
首 页
公司简介
产品展示
成功案例
客户服务
公司新闻
联系我们
产品展示
智能在线监测产品
中性点保护类产品
一次类产品
二次自动化类
高、低压成套类
公司新闻
企业新闻
行业资讯
产品展示
您现在的位置:
首页
> 产品展示
二次自动化类
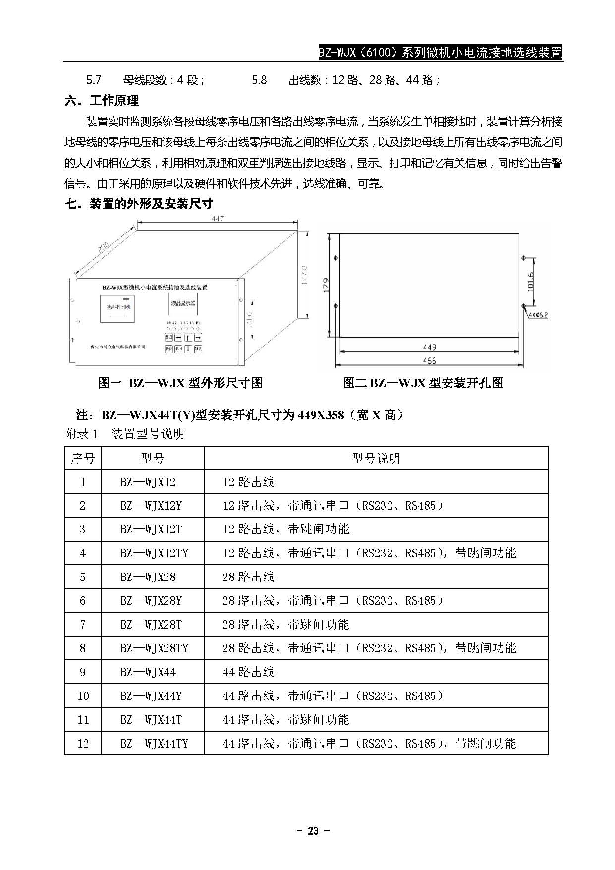
>> BZ-WJX系列微机小电流接地选线装置(普通型)
产品名称:
BZ-WJX系列微机小电流接地选线装置(普通型)
产 品 说 明
浏览数:1351 录入时间:2021/12/13 【
打印此页
】 【
关闭
】
地址:河北省保定市高新区竞秀街295号
电话:0312-5891158
销售热线:18330200158
网站首页
企业新闻
公司简介
企业文化
公司资质
客户服务
成功案例
工程案例
保定市博众电气科技有限公司
©2017-2026 版权所有 保定市博众电气科技有限公司